Ticker

6/recent/ticker-posts

Advertisement

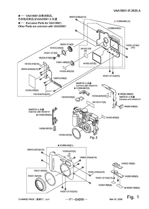
Download Nikon Coolpix 4200 Digital Camera Service Manual

At present you are looking regarding an Nikon Coolpix 4200 Digital Camera Service Manual example that will we provide here inside some type of document formats such as PDF, Doc, Power Point, as well as images that will will make it simpler for you to create an Nikon Coolpix 4200 Digital Camera Service Manual yourself. For a more clear look, you may open several examples below. Each of the examples about Nikon Coolpix 4200 Digital Camera Service Manual about this web site, we get from a number of sources so you could create a better file of your own.

When the search you obtain here does not match what you are searching for, please utilize the research feature that we have provided here. You are usually free to download anything at all that we provide here, expense cost you the slightest.

DOWNLOAD HERE

Everyone knows that reading Nikon Coolpix 4200 Digital Camera Service Manual is effective, because we can easily get information in the resources. Technology has developed, and reading Nikon Coolpix 4200 Digital Camera Service Manual books can be more convenient and easier. We can easily read books on the mobile, tablets and Kindle, etc. Hence, there are many books getting into PDF format.

Below are some websites for downloading free PDF books which you could acquire all the knowledge as you would like. Today everybody, young and aged, should familiarize themselves together with the growing eBook business. Ebooks and eBook visitors provide substantial benefits more than traditional reading. Ebooks cut down on the employ of paper, as strongly suggested by environmental enthusiasts. Presently there are no fixed timings for study. There is no question of waiting-time for new editions. Presently there is no transportation to be able to the eBook shop. Typically the books at an eBook store can be downloaded instantly, sometimes for free, sometimes for a fee.

Not merely that, the online variation of books are usually much cheaper, because publication houses save on their print in addition to paper machinery, the advantages of which are given to to customers. Further, the reach of the e book shop is immense, allowing a person living in Quotes to source out to be able to a publication house inside Chicago. The newest craze in the online e book world is exactly what are called eBook libraries, or e book packages. An eBook bundle is something remarkable. That consists of a large number of ebooks included together that are not necessarily readily available at one solitary place. So instead associated with hunting down and purchasing, say 100 literary classics, you can aquire an eBook bundle which contains all these types of ebooks bundled together. These types of eBook libraries typically offer a substantial savings, in addition to are usually offered inside a number of formats to suit your brand of eBook reader. Large companies, such since Amazon or Barnes as well as Noble, tend to not necessarily carry these eBook libraries. If you want to be able to buy one of these libraries, you will have to be able to find independent eBook outlets. These independent eBook outlets typically package the e book libraries by genre, in addition to have a lot of genres.